MARKETS
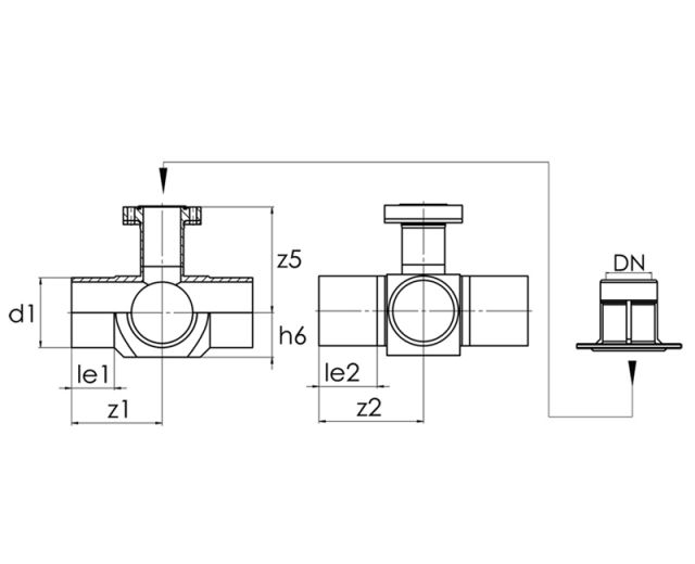
X-Cross for Connection to Hydrant

- Material: PE 100
- with special flange connection with plastic coated backing ring
- available as flange system or with pre-assembled BAIO® EU-piece
- long spigot for butt- and electrofusion welding
SIMILAR PRODUCTS